Pārdod zemi, Dzelzceļu iela, Daugavpils / 230000€

Atrašanās vieta:Daugavpils
Iela:Dzelzceļu iela
Zemes izmantošanas veids:Jauktai apbūvei
Platība:5382 m²
Cena:230 000 € (42.7 €/m²)

Īpašuma apraksts

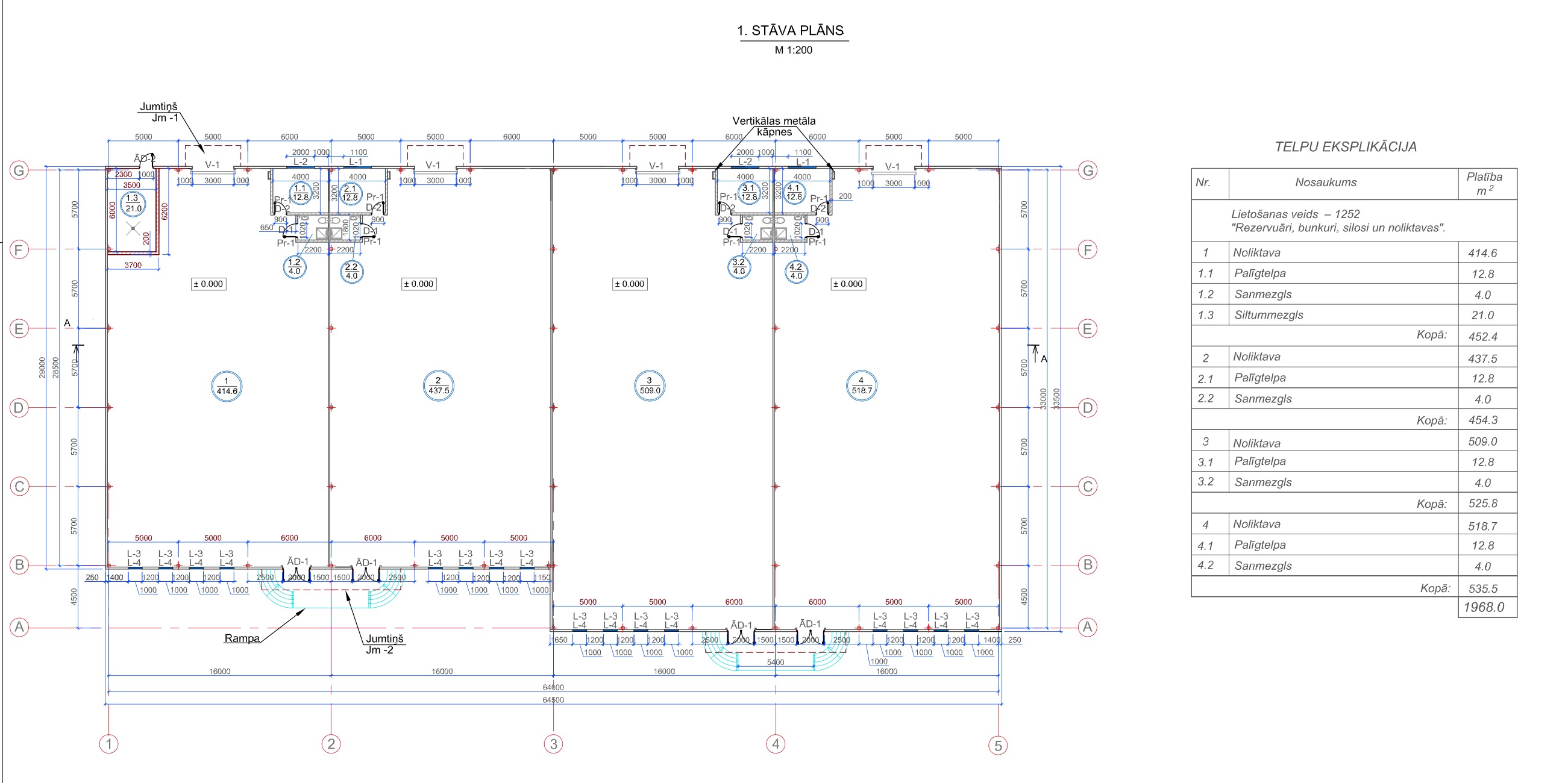
Iegādei tiek piedāvāta zeme ar saskaņotu projektu STOCK OFFICE ēkas būvneicībai aktīvā un labi redzamā vietā Daugavpilī.


Ēka atrodās publiskās apbūves teritorijā, kur atļauts vūvēt:

+ Birojus;
+ Veikalus un noliktavas;
+ Tirdnziecības centrus;
+ Vesalības iestādes;
+ Daudzzīvokļu mājas un Rindu mājas;
+ U.c.;

Intensitāte līdz 250 %;
Apbūves augstums līdz 12. stāviem;

Projektātā ēka:

+ Saskaņots būvprojekts "STOCK OFFICE" tipa noliktavai;
+ Četras sekcijas. Katrai sekcijai sava ieeja;
+ kopējā platība 1968 m2;

Cena norādīta bez PVN.

    Īpašuma ID numurs: 63580

    Īpašums kartē

    • Bing karte
    • Bing bird eye
    • Openstreet Karte
    Egils Skujiņš
    Egils Skujiņš Aģents
    Sazināties ar aģentu:
    • Drukāt