Сдают торговые помещения, улица Brīvības, Rīga / 1913€
Занято

Местонахождение:Rīga
Улица:Brīvības
Тип здания:Спецпроект
Мебель:Без мебели
Площадь:273.4 м²
Цена:1 913 € (7 €/м²)
Дополнительные издержки:плата за управление (1.50 €/м²); коммунальные платежи; cчетчики; НДС (21%); налог на недвижимость
Минимальный срок аренды:12 месяцы
Доступно с:iС сегодняшнего дня

Описание объекта

Сдаётся в аренду полностью отремонтированное здание в развивающемся районе VEF!

В арендную плату включены 2 парковочных места у входа в здание.

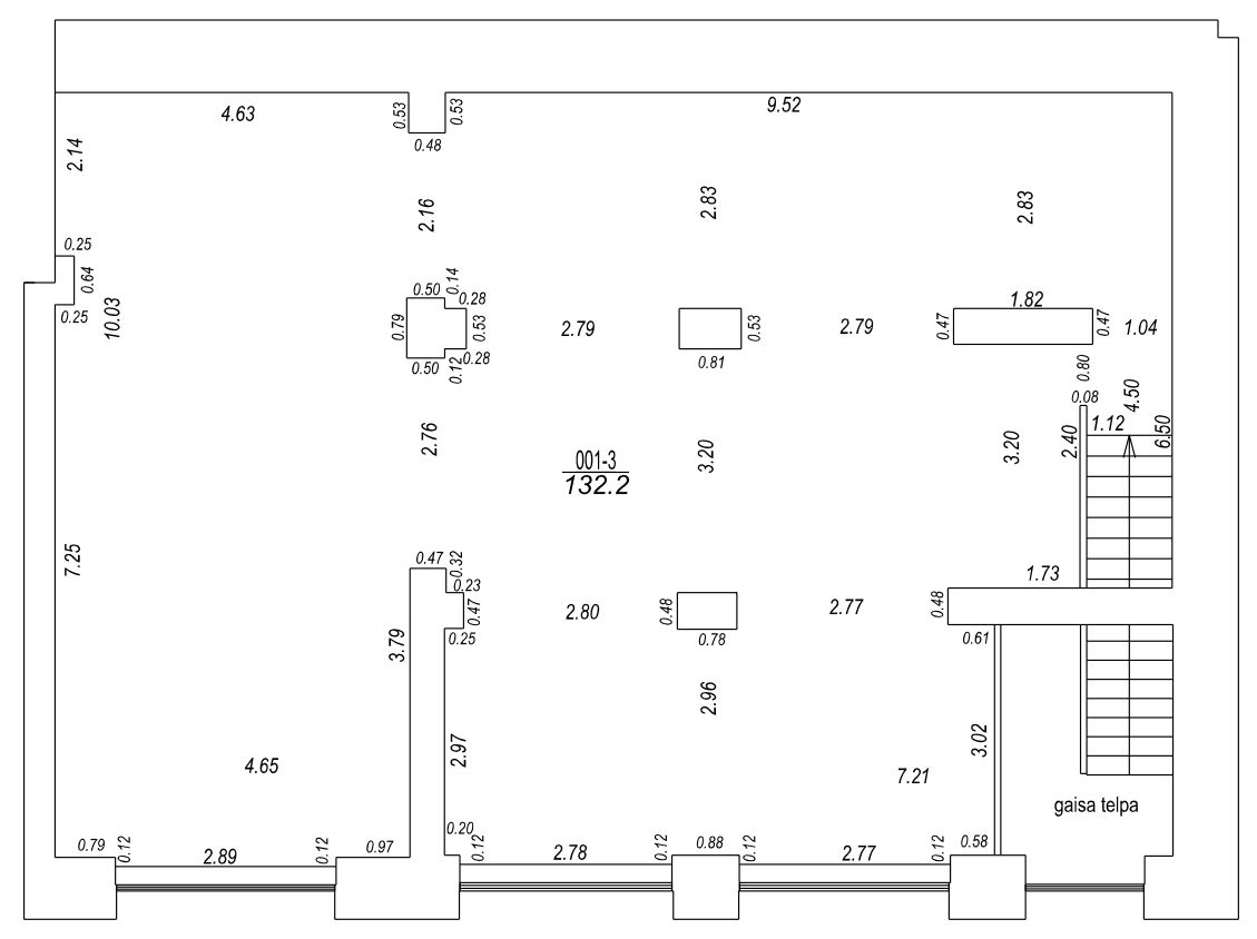
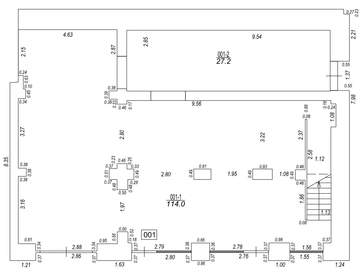
Планировка:
+Первый этаж – 141,2 м² 3 входные двери, большие витрины, складские ворота, стояк с подключением воды
+Второй этаж – 132 м² Просторные витрины, открытая планировка, подходит для различных интерьерных решений

Преимущества здания:
+Полностью отремонтировано, оборудовано тёплыми полами на обоих этажах;
+Возможность адаптировать помещения и планировку под нужды арендатора;
+Отлично подходит для торговой точки, салона красоты или офисных помещений;
+Рядом доступны долгосрочные платные парковки;
+Удобный подъезд для средних грузовых автомобилей (подходит для поставок и логистики);
+Район с развитой инфраструктурой и высоким пешеходным потоком.

Свяжитесь с нами, чтобы договориться о просмотре в удобное для вас время.

  • Отделка: серая отделка
  • Планировка: свободная планировка (нет перегородок)
  • Характеристика здания: вход с фасада здания, просторные витрины, реновированный дом
  • Местонахождение: удобное сообщение общественного транспорта, большой поток водителей
  • Автостоянка: гарантированная автостоянка во дворе, платная стоянка в ближайшей округе
  • Коммуникации: городское отопление, городское водоснабжение, городская канализация
  • Безопасность: закрытая территория
ID номер объекта: 66204

Объект на карте

Edgars Freimanis
Edgars Freimanis Агент
Связаться с агентом:
  • Распечатать